Home
hw
.s‑ol.nu
low-profile hexagon keyboards.
documentation index
overview
getting started
settings + profiles
isomorphic keyboard layouts
input/output (midi, i2c)
firmware hacking
appendix
config.py reference
settings reference
troubleshooting
hardware revision history
printables
printables
quickstart-guide
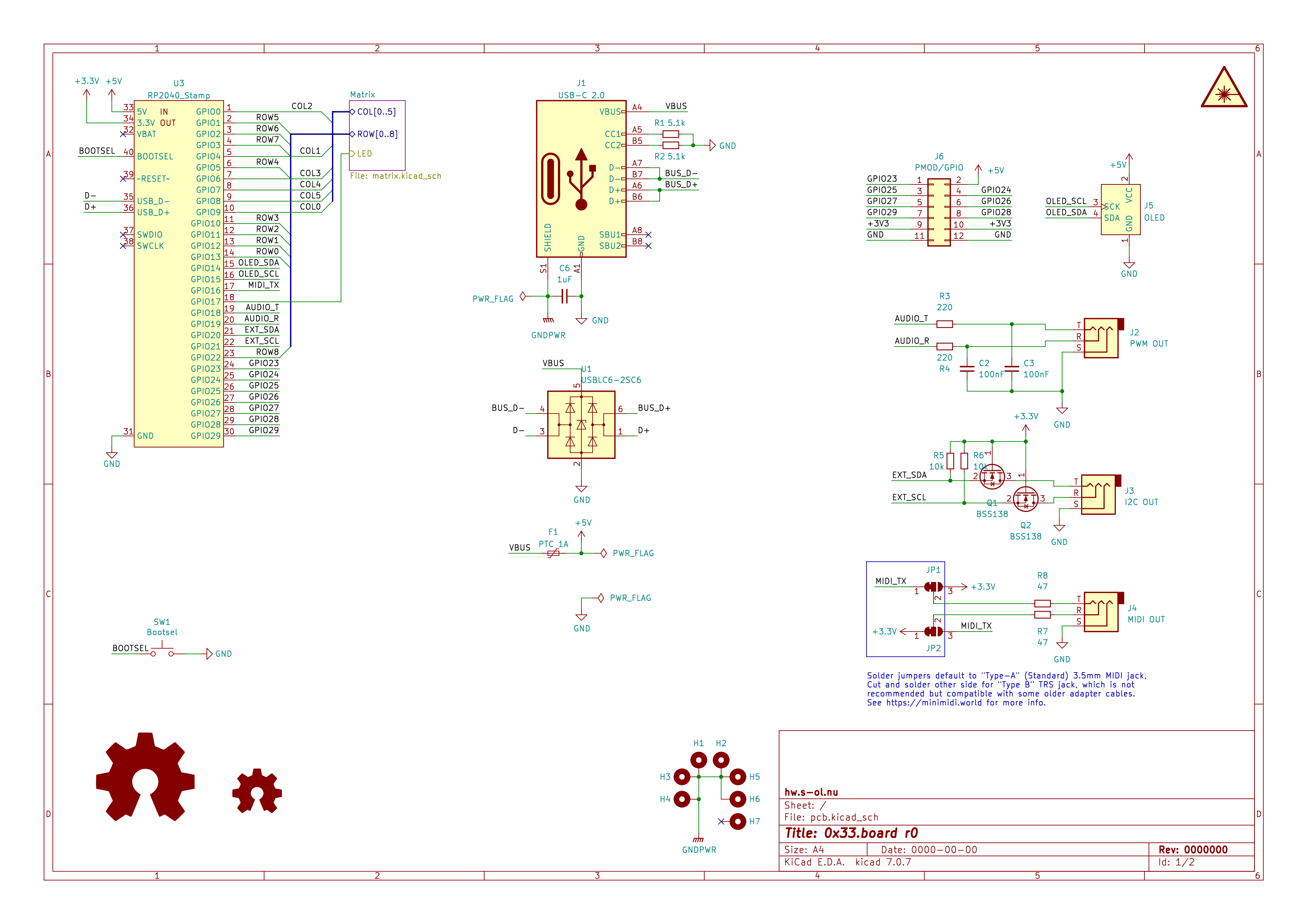
schematic
poster